Ventilasjonssystem NORFO VA-B leveres i to utførelser med forskjellig kapasitet, men med samme utvendige dimensjoner:
VA-B 150/300 med filterkapasitet 150 m3/h.
VA-B 200/400 med filterkapasitet 200 m3/h.
Ventilasjonssystemet utmerker seg ved:
- Elektrisk drift med manuell back-up
- Plass for to personer ved manuell drift
- Liten gulvplass og lavt lydnivå
- Enkel montering og ubetydelig vedlikehold
Leveranseomfang
Ventilasjonsaggregatet leveres emballert på pall bestående av:
- ABC-filter med festebrakett
- Vifte, elektrisk og manuelt drevet
- Luftmengdemåler med strupeventil og nødvendige slanger og koblinger
- Laminert betjeningsanvisning
Montering
ABC-filteret boltes til gulv, og viften boltes til vegg ihht medfølgende monteringsanvisning. Aggregatene kan leveres uten sjokkventil for tilkobling til felles sjokkventil innstøpt i vegg, eller med en sjokkventil til hvert aggregat. Fra sjokkventil, eventuelt fordelingsrør, skal det monteres luftmengdemåler med strupespjeld til hvert aggregat. Medfølgende fleksible slanger kobles sammen ved hjelp av hurtigkobling hvoretter endene kobles til luftmengdemåleren og viften. Betjeningsinstruksen festes på vegg ved viften. Ved leveranse er motoren koblet i trekant for 230V, 3-fase, men ved hjelp av kondensator kan 1-fase benyttes. Motoren kan enkelt kobles om til stjerne for 400V, 3-fase.
Betjening
Ved leveranse er filterets innløps- og utløpstuss forseglet med gasstette deksler med hurtigkobling. Kappene er plombert og skal ikke fjernes før forurenset uteluft gjør filterventilasjon påkrevet. Ved normalventilasjon er fleksibel slange fra luftinntak (sjokkventil) og slange til vifte koblet sammen ved hjelp av en hurtigkobling slik at luften ledes utenom filteret. Ved filter ventilasjon fjernes dekslene på filterets stusser, hvoretter den fleksible slangen splittes ved hurtigkoblingen og kobles til filterets stusser.
Ved forespørsel og bestilling bes oppgitt:
- Type
- Tilleggsutstyr som sjokkventil og fordelingsrør
Motordata
Alt. 1: 230V – 3 fase, 1,50 amp., 0,18 kW v/ 2800 o/min.
Alt. 2: 400V – 3 fase, 0,80 amp., 0,25 kW v/ 2800 o/min.
Alt. 3: Ved bruk av 16 µ F kondensator, 230V – 1 fase, 1,65 amp., 0,25 HK v/ 2800 o/min.
Aggregatene leveres koblet for 230V – 3 fase.
Det tas forbehold om konstruksjonsendringer.
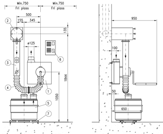
Forklaring illustrasjon:
- Vifte med el. motor og sveiv
- Sjokkventil
- Rør med luftmengdemåler og strupespjeld
- Fleksible slanger
- ABC filter
- Betjeningsinstruks
- Festeplate med ekspansjonsbolter

| Tekniske data | |||||
| Type | Kapasitet m3/h | Sjokkventil type | Sjokkventil | Kapasitet personer | Vekt (Kg) |
| Filtervent./Normalvent. | Kapasitet m2/h | ||||
| Motstand Pa | |||||
| VA-B 150/300 | 150/300 | ESV/VF 75-150 | 150-80/300-255 | 75 | 130 |
| VA-B 200/400 | 200/400 | ESV/VF 75-150 | 200-110/400-350 | 100 | 130 |